Epic 950

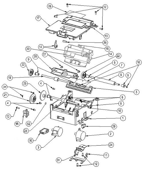
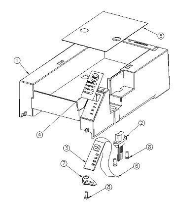
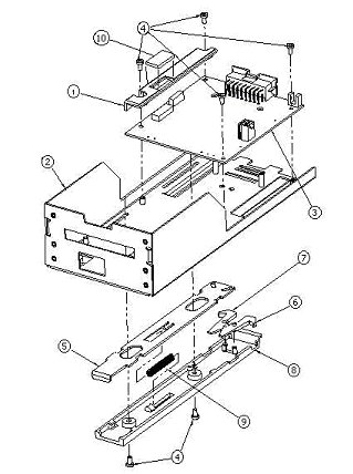
Use this look up section to identify what page contains the part you wish to order.
Scroll down the page to see all diagrams.
Click on the link below the diagram to order the part.
 
 
Tip: If you already know the part number needed, you can enter the part number in the search field. (above right)
For assistance with parts orders please call 1-800-243-8941 (option 2)



 



Page 1

 

 



Page 2

 

 



 

 



Page 3

 

 



Page 4

 

 



95-06003L BEZEL ASSEMBLY (Translucent Yellow – w/LEDs)

 

 



Page 5

 

Product pages
Copyright 2016 - TransAct Technologies Inc